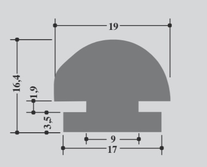
Champignonprofiel 20 x 16 mm, R=10 mm

Lengte 2,3 of 6 meter

Leverbaar in de kleuren naturel, groen, zwart of blauw. 

Offerte aanvragen