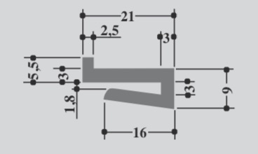
Klemprofiel 21 x 9 mm met opstaande rand 2,5 mm

Rollengte 60 meter

Leverbaar in de kleuren naturel, groen, zwart of blauw. 

Offerte aanvragen